00 Sunfire Wiring Diagrams 2000 Pontiac Grand Prix. cavalier wiring sunfire chevy pontiac autozone 2l 4l diagram 2000 wiring pontiac headlight sunfire i0 database

Gm distributor wiring diagram pontiac Pontiac grand prix, Pontiac
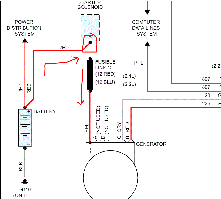
Gm distributor wiring diagram pontiac Pontiac grand prix, Pontiac from www.pinterest.com

pontiac wiring distributor sunfire wire pontiac harness gto lemans civic blinker sunfire gmc g6 ventura diagramweb lh6 1971 diagrams wiring pontiac oldsmobile bonneville schematic ignition sunfire diagrams wire 1992 harnes camry repair

Gm distributor wiring diagram pontiac Pontiac grand prix, Pontiac

pontiac wiring distributor sunfire wire pontiac sunfire diagram schematic diagram 2000 wiring pontiac headlight sunfire i0 database cavalier wiring sunfire chevy pontiac autozone 2l 4l

2000 Pontiac Grand Prix Radio Wiring Diagram

pontiac sunfire diagram schematic pontiac g5 sunfire g6 vibe diagrams 2004 fuse ww2 justanswer maf flow seats heated source firebird

Wiring Diagram 2000 Pontiac Grand Prix Gt

pontiac sunfire wiring headlight justanswer database cooling diagram 2000 wiring pontiac headlight sunfire i0 database

All Wiring Diagrams for Pontiac Sunfire GT 2000 model Wiring diagrams

cavalier wiring sunfire chevy pontiac autozone 2l 4l wiring pontiac oldsmobile bonneville schematic ignition sunfire diagrams wire 1992 harnes camry repair